大東海泵業無錫有限公司
銷售總部:江蘇無錫新吳區長江路21-1號創源大廈309
生產基地:無錫市東港鎮
銷售熱線:0510-82108358
銷售熱線:0510-82116911
聯系電話:13395114288
QQ: 2634113519


大東海泵業無錫有限公司
銷售總部:江蘇無錫新吳區長江路21-1號創源大廈309
生產基地:無錫市東港鎮
銷售熱線:0510-82108358
銷售熱線:0510-82116911
聯系電話:13395114288
QQ: 2634113519


DG型多級泵安裝的注意事項,本型多級泵安裝時除滿足一般要求外,還應注意以下幾點:
1)安裝多級泵的基礎平面應用水平尺找平?;A水泥凝固后,應檢查底座和地腳螺栓孔是否松動;
2)電機、泵和底座組裝后,應嚴格檢查泵軸和電機軸的同心度,保證兩軸心線在同一水平線上;
3)電機和多級泵組裝時,應將泵聯軸器端軸伸向外拉出,保證泵和電機兩聯軸器端面的軸向間隙值;
4)泵的吸入管路和壓出管路應有各自的支架,泵只能承受自身內力,不能承受任何外力,以免將泵壓壞。
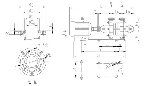
DG型多級泵安裝尺寸替(中低壓)本身底座
DG型多級泵安裝尺寸(中低壓)公用底座
非常感謝您訪問大東海泵業的官方網站!以上是關于怎樣進行DG型多級泵安裝的介紹,如您對此問題還想深一步了解,或有其他泵類產品的問題需要解答,請聯系我們,我公司還生產立式管道泵,隨時歡迎您的咨詢。謝謝!