大東海泵業無錫有限公司
銷售總部:江蘇無錫新吳區長江路21-1號創源大廈309
生產基地:無錫市東港鎮
銷售熱線:0510-82108358
銷售熱線:0510-82116911
聯系電話:13395114288
QQ: 2634113519


大東海泵業無錫有限公司
銷售總部:江蘇無錫新吳區長江路21-1號創源大廈309
生產基地:無錫市東港鎮
銷售熱線:0510-82108358
銷售熱線:0510-82116911
聯系電話:13395114288
QQ: 2634113519


歡迎訪問大東海泵業無錫有限公司網站,我公司是一家專業的管道泵生產廠家。在您需要管道泵選型時,我們將會提供管道泵型號、管道泵價格等售前服務,以供您的參考選擇。本條產品資訊是關于化工管道泵聯軸器找正的知識:

化工管道泵和電機的聯軸器所連接的兩根軸的旋轉中心應嚴格的同心,聯軸器在安裝時必須精確地找正、對中,否則將會在聯軸器上引起很大的應力,并將嚴重地影響軸、軸承和軸上其他零件的正常工作,甚至引起整臺機器和基礎的振動或損壞等。因此,泵和電機聯軸器的找正是安裝和檢修過程中很重要的工作環節之一。
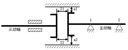
聯軸器找正是偏移情況的分析:
在安裝新管道泵時,對于聯軸器端面與軸線之間的垂直度可以不作檢查,但安裝舊泵時,一定要仔細地檢查,發現不垂直時要調整垂直后再進行找正。一般情況下,可能遇到的有以下四種情形。
1)S1=S2,a1=a2 兩半靠背輪端面是處于既平行又同心的正確位置,這時兩軸線必須位于一條直線上。



